美式箱变导电杆技术参数

发布日期:2021-09-29

作者:无锡天一力

来源:wx-tldq.com

TED美式箱变导电杆 400A
TED美式箱变导电杆 630A
TED美式箱变导电杆 1000A
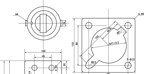
注:此图纸尺寸,仅供参考。具体尺寸可按用户要求设计,或按用户提供的图纸尺寸加工生产。
TED美式箱变导电杆 2000A
注:此图纸尺寸,仅供参考。具体尺寸可按用户要求设计,或按用户提供的图纸尺寸加工生产。